| POUR VOUS AIDER DANS VOTRE PRÉPARATION, DES KITS PRÊT À MONTER SONT DISPONIBLES |
|
||||||||||||||||||||||||||||||||||||||||||||||||||||||||||||||||||||||||||||||||||||||||||||||||||||||||||||||||||
|
|
Seules les 205 équipées d’un moteur XU_J à injection multipoint (GTi, CTi, Gentry) possèdent de série un transmetteur de pression d’huile associé à un indicateur au tableau de bord. Il faut donc installer l’ensemble du système d’indication sur les autres types de 205.
A l'inverse, tous les moteurs, quel que soit le modèle de 205, dispose au moins d'une sonde d'alerte baisse pression d'huile (manocontact) située en face AV du moteur.
| Moteur XU | Moteur XUD | Moteur TU |
|
|
|
• Transmetteur d'indicateur de pression d'huile (M10x1).• Manocontact d'alerte de baisse de pression d'huile (M16x1.5). |
||
Transmetteur pression d'huile(pour indication de pression) |
|
|
Manocontact baisse pression d'huile(pour temoin d'alerte) |
|
|
Le rajout d'un transmetteur de pression d'huile est très facile sur moteur XU essence en se calquant simplement sur le montage des 205 GTi puisque le bloc alu est identique.
Soit en montant les équipements (sondes et compteur) de la 205 GTi et en adaptant le faisceau électrique, voir Prép'Tech/compteur avec indicateurs moteur.
Soit en rajoutant un ensemble sonde/indicateur distinct mais en se servant de l’emplacement du transmetteur d’origine (M10x1).
Dans les deux cas, le manocontact d’alerte de baisse de pression (M16x1.5) conserve sa place d’origine en face avant du bloc moteur.
Sur les autres moteurs (XUD et TU), le montage de l’indication de pression est plus compliquée puisque un seul
emplacement M16 pour sonde est disponible sur le bloc moteur.
La taille du raccord n'est pas compatible avec les sondes double fonctions (alerte + indication), et le manque de place, surtout pour le moteur TU dont
le collecteur d'échappement se situe en face avant, limite le montage. Il est préférable de créer une dérivation afin d’alimenter en pression un
collecteur déporté sur lequel se montent le manocontact (M16x1.5) et le transmetteur de pression d’huile (M10x1).
|
La modification consiste à installer un flexible en sortie de bloc venant alimenter un Té. Attention, une dérivation ne disposant pas de circulation de fluide n'est fiable que Un kit est dispo pour moteurs XUD et TU, voir Prép'Kits/kit n°10. |
|
|
Avec ce montage, il est possible d'installer les sondes d'origines 205 GTi/TD avec l'indicateur intégré au compteur propre à ces modèles
pour conserver une instrumentation intégrée au tableau de bord. Voir Prép'Tech/compteur avec indicateurs moteur. Ou monter un indicateur de pression d'huile distinct déporté avec sa sonde. |
|
|
Le montage d'un compteur Peugeot entraine obligatoirement l'installation de la sonde constructeur. |
|
|
Tous les moteurs de 205 possèdent d'origine une sonde d'alerte surchauffe et un emplacement de taille M14x1.25 pour une sonde d'indication de température.
Cet emplacement, généralement à coté du thermocontact d'alerte, peut être équipé d'origine de la sonde (parfois non branchée) ou simplement obturé par un bouchon.
Moteur XU essence: En arrière de la culasse, sur le bloc collecteur d'eau (thermocontact et thermistance).
Moteur XUD diesel: En sortie de culasse, en amont du calorstat (thermocontact et thermistance).
Moteur TU essence: Sur le côté gauche de la culasse (thermocontact) et en sortie de culasse, en amont du calorstat (thermistance).
Bien que possédant les mêmes filetages et connectiques, la thermistance et le thermocontact sont deux éléments distincts et ne sont pas interchangeables.
Thermistance (Pour indication de température) |
|
|
Thermocontact(Pour témoin d'alerte) |
|
|
| Attention: ne pas confondre avec la sonde de température moteur spécifique à l'injection. | ||
|
Sonde température d'injection (Fonction starter automatique) |
|
|
Si le choix est de monter un compteur d'origine 205 disposant de l'indicateur de température d'eau, il suffit de monter
une thermistance de température d'origine et d'adapter le faisceau électrique, voir Prép'Tech/compteur avec indicateurs moteur.
Sinon, simplement rajouter un indicateur de température déportée avec sa sonde associée M14x1.25.
| Exemple pour un moteur XU essence ➔ |
|
| Exemple pour un moteur XUD diesel ➔ |
|
• Thermistance pour indication de température d'eau (M14x1.25).• Thermocontact d'alerte de surchauffe moteur (M14x1.25).
|
|
|
Exemple pour un moteur TU essence ➔ (plusieurs emplacements suivant versions) |
|
|
Il est donc préférable d'installer la sonde constructeur associée, dans ce cas, pour conserver la fiabilité de la valeur de température indiquée. Tout comme toutes les sondes ne sont pas compatibles entre elles et ne correspondent pas avec tous les indicateurs déportés. |
|
|
Sur 205, seuls les moteurs XU_J (injection multipoints) des GTi, CTi, Gentry..., disposent d'un indicateur de température d'huile d'origine.
|
Les huiles modernes supportant des températures très élevées, la lecture de ce paramètre n'est pas réellement essentielle car une surchauffe du liquide de refroidissement sera
plus significatif d'une montée anormale en température. Toutefois, cet affichage permet de mieux surveiller l'état de fonctionnement du moteur en temps réel et ainsi vérifier
la cohérence des indications pouvant mettre en avant un problème à venir.
L'emplacement de la sonde se trouve en partie arrière du carter afin de la noyer dans l'huile ➔ |
|
Pour qu'elle soit fiable, la prise de température doit être effectuée dans un fluide "brassé" (à titre de comparaison: dans un circuit d'eau sanitaire,
il est obligatoire d'évacuer l'eau des tuyauteries à température ambiante pour obtenir l'arrivée d'eau chaude.).
Il n'est donc pas possible de placer une sonde de température en bout de flexible comme pour la pression.
La sonde de température d'huile est présente d'origine sur les moteurs XU_J des 205 mais aussi les TU_J (essence injection multipoints) des 106 Rallye,
entre autres, mais la plupart des carters de
remplacement disposent de cet emplacement afin de réduire le nombre de pièces au catalogue de l'équipementier.
Il suffit donc de changer le carter pour monter facilement la thermistance.
| Carter d'huile XU(D) | Carter d'huile TU | ||
| Sans sonde | Avec sonde de T° | Sans sonde | Avec sonde de T° |
|
|
|
|
| Attention: à partir de 09/1993, le filetage de la sonde est M14x1.25. | |||
Il est possible d'adapter un compteur de GTi/TD... pour lire la valeur au compteur, voir Prép'Tech/compteur avec indicateurs moteur.
Ou rajouter un indicateur de température d'huile distinct déporté avec sa sonde associée.
|
Sonde température d'huile |
|
|
| Attention: à partir de 09/1993, le filetage de la sonde est M14x1.25. | ||
| Raccords courants de sondes d'indication |
Les raccords les plus fréquemment employés pour les sondes d'indications sont: (liste non exhaustives)
|
• Métrique : M10x1 (ou M10x100) - M14x1.25 (ou M14x125) - M16x1.5(ou M16x150) - autres.
Norme ISO métrique suivant spécifications allemandes DIN. L'étanchéité se fait par le siege conique (60° ou 90°) ou par une portée plate aver un joint. |
|
|
|
|
• National Pipe Thread : NPT 1/8 (ou NPT 1/8x27) - NPT 1/4x18 - autres.
Norme américaines. L'étanchéité se fait par la compression créée par le male conique sur le raccord femelle. |
|
||||||||||||||||||||
|
|
|
Ces deux normes ne sont pas équivalentes. Exemple d'adaptateur : Male M10x1 (filetage linéaire, étanchéité par joint). Femelle NPT 1/8x27 (taraudage conique, étanchéité par compression). |
|
|
|
|
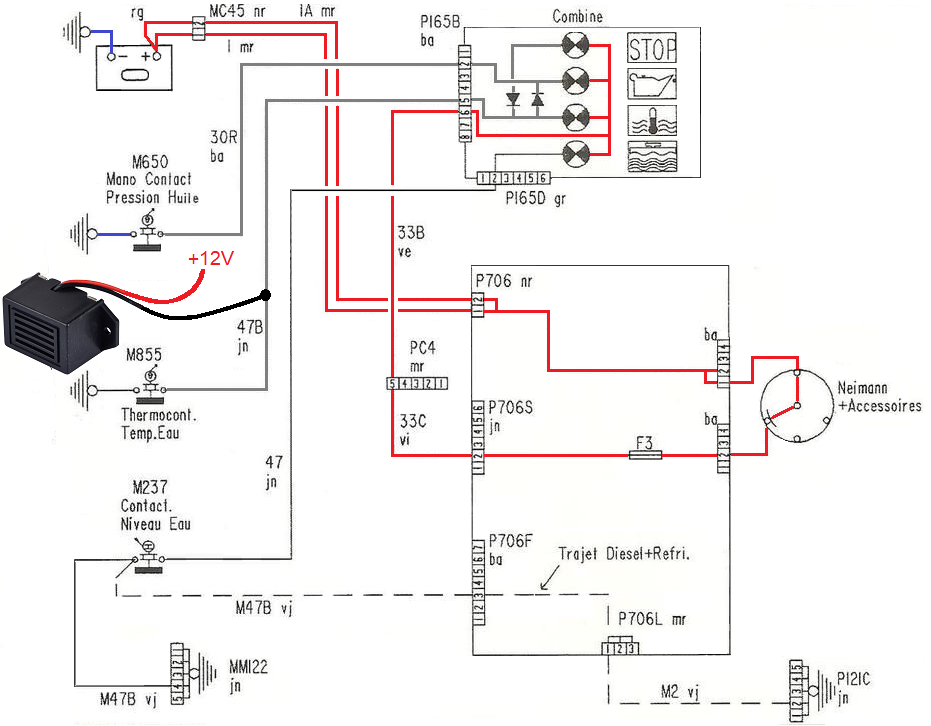
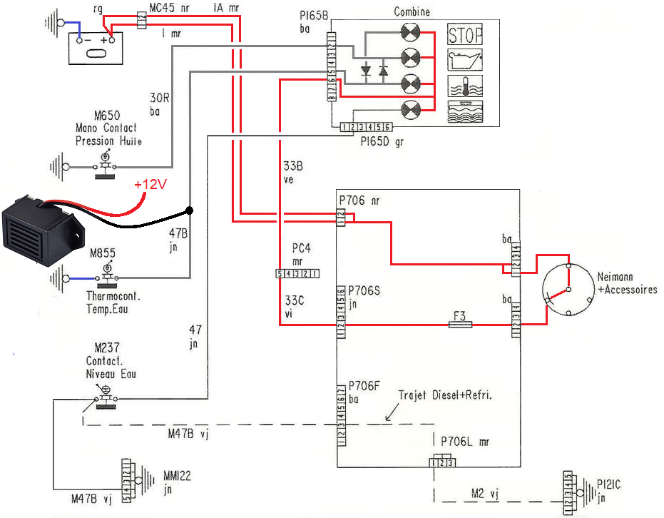
En raison de la difficulté à surveiller les indications, ou les témoins au tableau de bord, lors des passages difficiles, il est fortement recommandé d'installer un indicateur sonore pour alerter d'une surchauffe ou chute de pression d'huile moteur.
L'installation est très aisée et la masse du buzzer doit être installé uniquement sur la ligne de la sonde thermocontact de température.
De par ce montage, les alertes suivront cette logique:
•  Baisse pression d'huile moteur: Voyant baisse de pression + voyant surchauffe + STOP + Buzzer.
•  Surchauffe température moteur: Voyant surchauffe + STOP + Buzzer.
Alimenter en 12V le buzzer via le fusible F1 afin de ne pas avoir l'alarme sonore lorsque le neiman est sur la position A (accessoires).
| Alarme baisse de pression d'huile |
Pression d'huile OK
|
|
|
||
| Alarme surchauffe moteur |
Temp. moteur OK
|
|
|
||
Un deuxieme buzzer peut être rajouté sur la ligne de detection de bas niveau de liquide de refroidissement suivant le même principe que pour la surveillance d'huile.
|
La surveillance des paramètres moteur, ou autres, permettra de limiter le risque de panne. Mettez toutes les chances de votre côté, ne faites pas
l'impasse dessus car les modifications ne représentent pas un coût conséquent en regard de l'avantage apporté.
Indication essentielles: Indication secondaires: |
|
JiCéLDé, la préparation est un art, libérez votre esprit... |