POUR VOUS AIDER DANS VOTRE PRÉPARATION, DES KITS PRÊT À MONTER SONT DISPONIBLES

Circuits électriques

 

Les circuits électriques sont très souvent négligés lors des travaux de préparation ce qui peut pourtant entrainer des pannes parfois difficiles à résoudre lors de la réparation dans des conditions difficiles. D'autant plus que des défauts électriques peuvent être très pénalisant, voir immobilisant si le câblage affecté est lié à un élément du moteur.

Il convient dans un premier temps de fiabiliser les circuits d’origines en les vérifiant tout en supprimant les fils non utilisés correspondant généralement aux options ou simplement aux éléments déposés lors de l'allégement de la voiture:
  •  Autoradio & Haut-parleurs (gain de poids).
  •  Condamnation centralisée (inutile).
  •  Lève-vitres électriques (manque de fiabilité en environnement poussiereux et gain de poids).
  •  Essuie-glace AR (gain de poids).
  •  Lave-glace AR (inutile).
  •  Chauffage lunette AR (si glace occultée).
  •  autres.

Après avoir fait le point sur les systèmes supprimés, vérifier que tous les fils associés ont été déposé. Ceci permettra de facilité les recherches de pannes, de gagner du poids, mais aussi de gagner de l’aisance lors des interventions mécaniques.
Les schémas disponibles sur ce site vous aideront à déterminer les fils associés aux éléments supprimés, voir Prép'Docs/schémas électriques 205.
Les fils sont identifiés par leur couleur et un numéro pour les repérer plus facilement.

Schémas Couleurs des fils
AM86 OR: Orange BG: Beige BE: Bleu BA: Blanc
AM89 MR: Marron JN: Jaune RG: Rouge GR: Gris
AM91 VI: Violet VE: Vert VJ: Vert/Jaune RS: Rose

Certains fils peuvent toutefois être conservés pour éviter de passer de nouveaux câblages lors de l'installation d'équipements liés au raid. Attention à bien vérifier que la section est en accord avec l'intensité de l'équipement rajouté. De ce fait, privilégier les câbles de grosses sections.

La totalité des circuits sont à vérifier en profitant de la dépose d'él&ments lors de la révision ou des modifications.
Les principaux point faibles se situent dans le logement moteur, s'assurer du bon état:
  •  Bornes de masse (corrosion de contact fréquente).
  •  Faisceaux moteurs (détérioration de l'isolant par pollution de fuite de fluide et chaleur importante).
  •  Connexions par cosses (résistance de contact par corrosion et vibrations moteur).


Il est important porter une attention particulière aux connexions des circuits de ventilateurs radiateur moteur. Particulièrement les masses souvent corrodées ainsi que les cosses de prise des relais de commande fortement sollicitées par la forte intensité. Les modifications de câblage doivent être soignées lors du rajout de la commande manuelle et la section des câbles rajoutés en accord avec la puissance des ventilateurs.



Masses des circuits

L'architecture électrique de la 205, comme de nombreux véhicules de série, est composée de parties de faisceaux assemblés sur la chaine de fabrication suivant les équipements et motorisation montés sur la voiture.
Ce type de montage permet d'apporter de la facilité de production mais générant parfois des points faibles tel qu'un manque de fiabilité au niveau des endroits soumis aux intempéries comme les masses placées sur la face avant.
Les points de masse, composés de bornier à prise, sont disposés sur plusieurs endroits dont certains (MM2 & MM3) sont soumis à la corrosion.

Masse Moteur (MM) Masse habitacle (HM) Masse Coffre (MC)
masse 205 masse habitacle 205 masse coffre 205
Note: Dans la majorité des cas, sauf câble spécifique, les fils de masse sont de couleurs jaune/vert et les borniers associés blanc avec prise jaune.


Remplacer les borniers par des cosses rondes permettant ainsi d'augmenter considérablement la fiabilité des points de masses.
Attention, le circuit des ventilateurs de radiateur moteur est connecté sur le bornier derrière le phare côté conducteur.
Dans le cas d'un élément rajouté, il peut être préférable de placer la masse au plus près de la servitude plutôt que de rejoindre un point de masse.
masse 205 defectueuse

← Bornier de masses fixé sur face avant

Cosses rondes remplacant le bornier →

Bornier de masses dans le coffre:
masse coffre 205

masse circuit 205
masse sur colonne direction 205
Attention à ne pas confondre le bornier de distribution +12V destiné à l'éclairage des différents équipements du tableau de bord avec le bornier de masse fixé sur
le support de colonne de direction.
bornier éclairage tableau de bord 205

← Bornier de masse (HM1 & HM2) sur support colonne de direction.

Bornier de répartition (PC15) +12V éclairage sur tableau de bord (isolé) →



Les masses des circuits liés au moteur (allumage, injection, etc.) ou de la batterie ne sont pas connectés sur
des borniers mais directement sur la caisse ou un support métallique.
Une rondelle éventail placée sous la cosse assurera une meilleure conductivité.

S'assurer que les cosses soient propres et non oxydées, nettoyer si nécessaire au papier de verre fin ➔

cosse batterie 205

Quel que soit le circuit, il est important de fiabiliser les connexions de masse afin
de limiter les faux contacts mais aussi les perturbations électriques.

Certaines vis de fixation d'habillage déposé peuvent être judicieusement utilisées ➔

amélioration circuit 205 préparation raid 205
Une bonne mise à la masse des ouvrants peut aider au bon fonctionnement de la radio VHF en limitant le rayonnement de l'allumage ou de l'alternateur.

Ne pas hésiter à placer des tresses de masse au niveau des charnières d'ouvrants ➔




Alimentation +12V des circuits

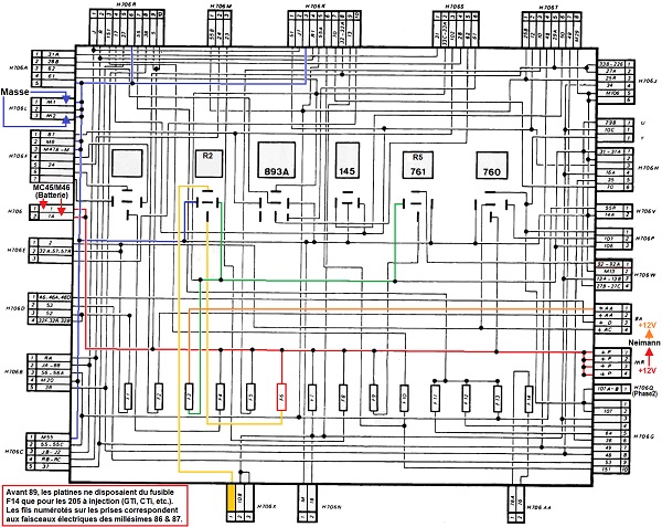
Les points d'alimentation du +12V se situent dans le logement moteur et dans l'habitacle.
Il est tout à fait possible de brancher l'alimentation d'un nouveau circuit sur une sortie après rajout d'un fusible ou d'utiliser l'alimentation d'un système préalablement supprimé.

Il existe deux types de platine porte fusibles d'habitacle dépendant du millésime de la 205.
  •  Avant 86 : 12 fusibles
  •  A partir de 86 : 14 fusibles

La première version de platine en 12 fusibles n'est pas indiquée dans cette rubrique.
platine 12 fusibles platine 14 fusibles
12 fusibles 14 fusibles

Logement moteur (Porte-fusibles MC45 ou M46) Habitacle (Boitier interconnexions)
porte fusibles 205 platine 205
  •  Moteur : Utiliser une sortie libre du porte-fusibles logement moteur ou se connecter sur la borne d'alternateur.
  •  Habitacle : Profiter de la suppression de certains systèmes non-utilisés, ou supprimés, pour utiliser son alimentation +12V.

Type d'alim. Intensité Fonctions
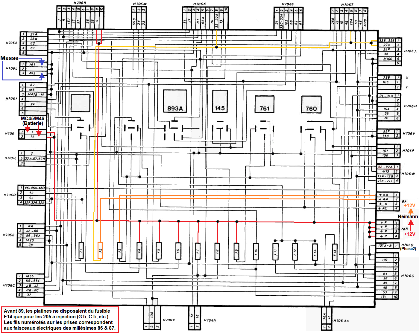
F1 + Contact (1)* 10A Feu de recul + Compte-tours de GTi
+ suivant version :    AM86         AM89         AM91  
F2 + Accessoire (1)* 25A Clignotants + Sièges chauffants + Voyants (Stop, Pr. huile, T° & niveau d'eau) + Indicateurs T° et Pr. (si équipé)
+ suivant version :    AM86         AM89         AM91
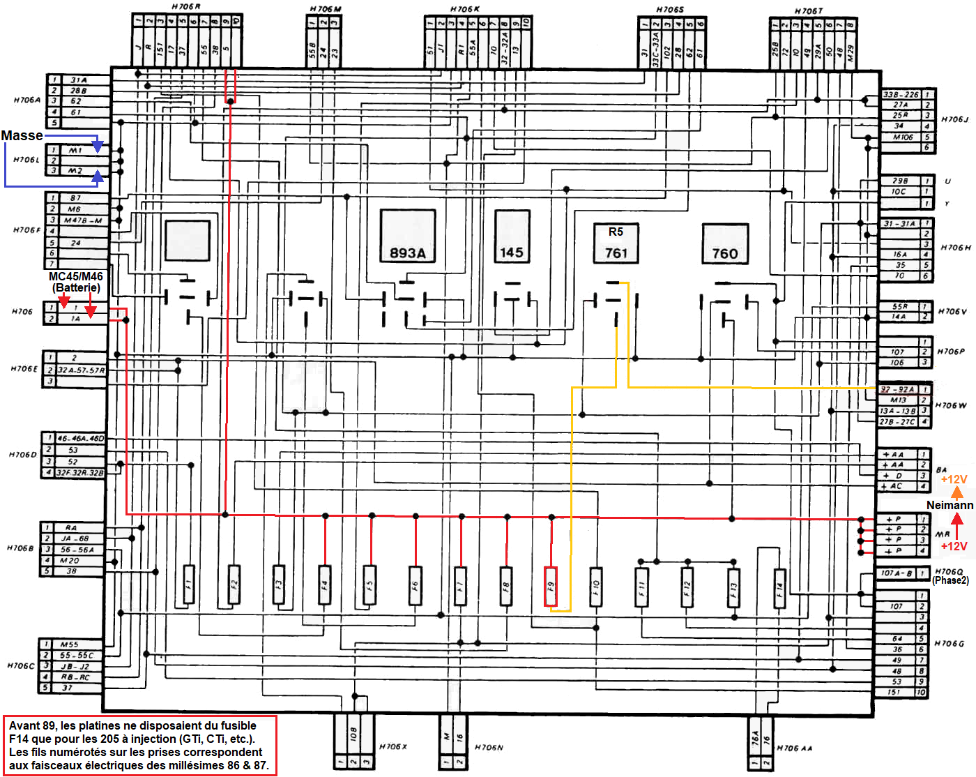
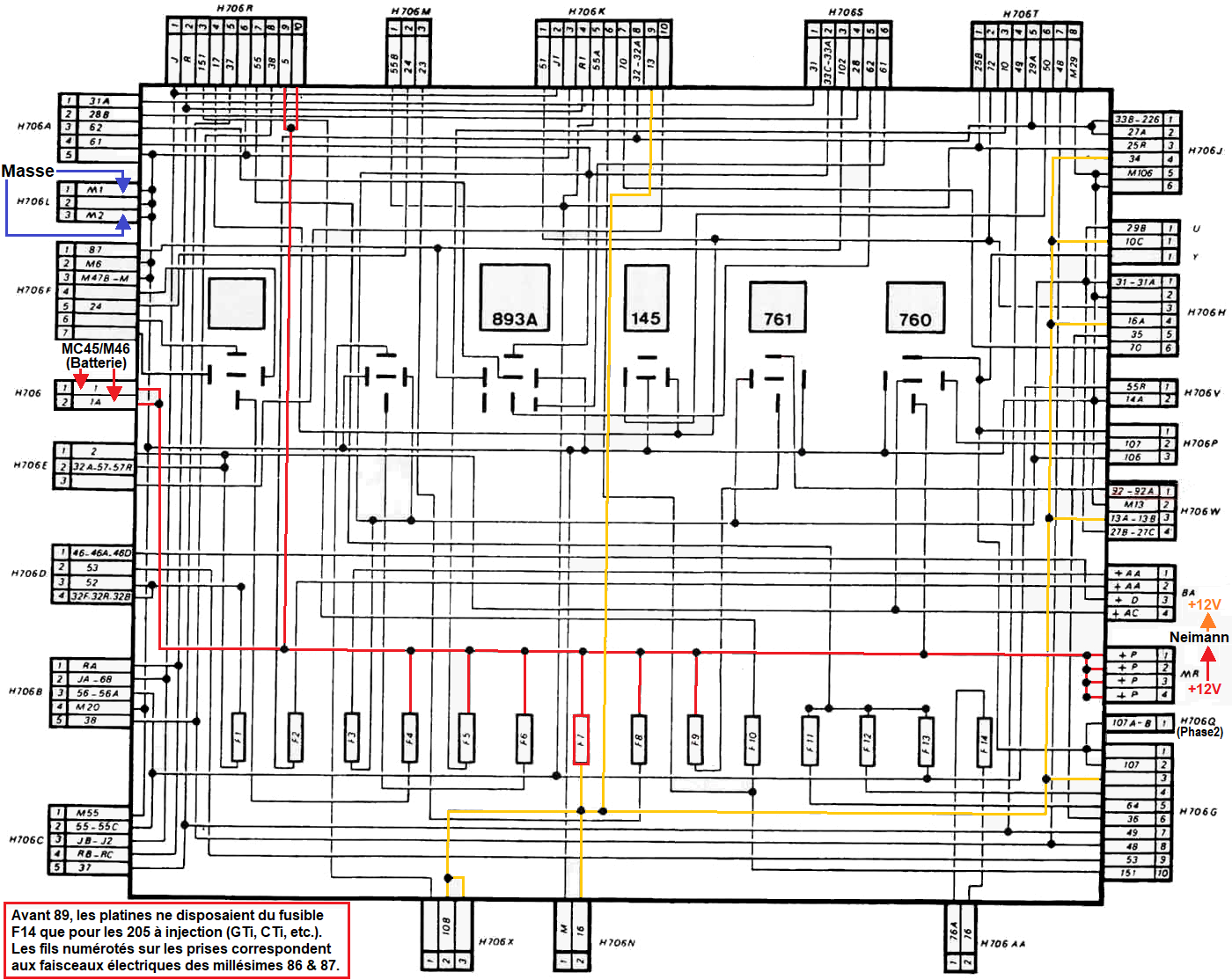
F3 + Accessoire (1)* 25A Commande relais R2 & R5 & R4 + Feux stop + Essuie glace AV & AR + 12V accessoire Autoradio
+ suivant version :    AM86         AM89         AM91
F4 + Permanent (2)* 15A A partir de AM88 : Longue-portées commandés par commodo via relais R1 ou Antibrouillards AV.
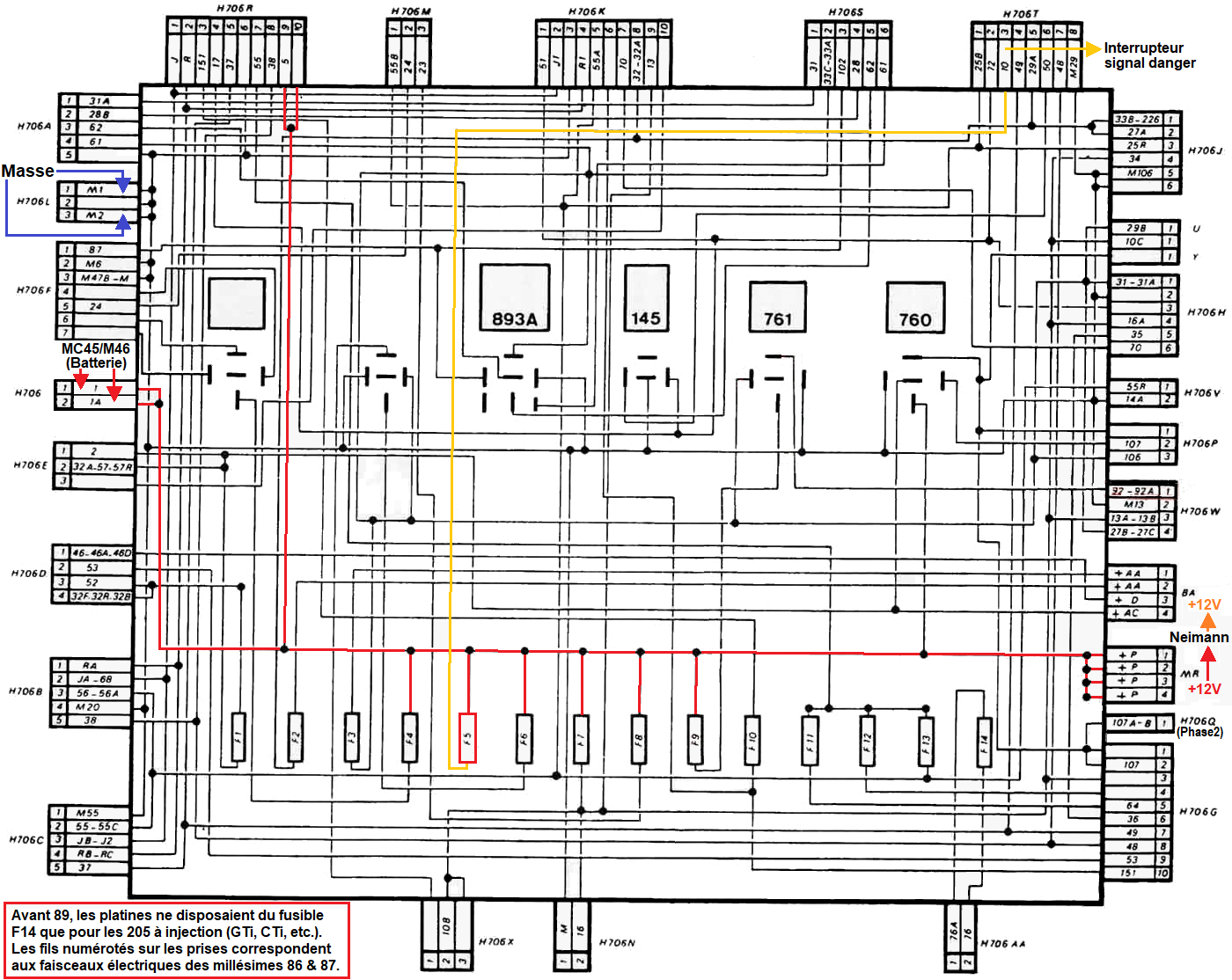
F5 + Permanent (2)* 10A Signal danger (Warning).
F6 + Permanent (2)* X Sortie borne 1 de 706W: commandée par F3 (+ accessoire) via relais R2 (non utilisé sur 205)
F7 + Permanent (2)* 25A Montre (+F3 ou F1 si quartz) + Plafonnier + Attache remorque + Éclairage coffre + Condamnation centralisée
+ 12V permanent Autoradio + suivant version :    AM86         AM89         AM91  
F8 + Permanent (2)* 25 ou 30A Avertisseur + Lunette chauffante : commandé par interrupteur et F3 (+ accessoire) via relais R4
+ suivant version :    AM86         AM89         AM91  
F9 + Permanent (2)* 20 ou 25A Lèves-vitre électriques : commandé par F3 (+ accessoire) via relais R5.
F10 + Éclairage (3)* 5A Feu AR brouillard.
F11 + Éclairage (3)* 5A Éclairage plaque d'immatriculation +
  •  Jusqu'à AM90 sauf RFA : Feux de position AR.
  •  A partir AM91 ou RFA : Feu de positon AR gauche.
F12 + Éclairage (3)* 5A   •  A partir AM91 ou RFA : Feu de positon AR droit.
F13 + Éclairage (3)* 5A Feux de positon AV + Éclairage interrupteurs + Éclairage climatiseur + Éclairage combiné.
F14 + Spécifique (4)* 15A Pompe à essence d'injection (alimentation via relais spécifique).
Note (1)* : l'alimentation électrique des circuits "Contact" et "Accessoire" provient du neimann.
Note (2)* : l'alimentation électrique des circuits "Permanent" provient de la batterie via le porte-fusibles du logement moteur (MC45 ou M46).
Note (3)* : l'alimentation électrique des circuits "Éclairage" provient du commutateur de phares (commodo).
Note (4)* : l'alimentation électrique de la pompe carburant d'injection provient du relais spécifique d'injection.
neimann 205 contact 205 St : Alimentation Eclairage + Permanent.
A  : Alimentation Eclairage + Permanent + Accessoire.
M : Alimentation Eclairage + Permanent + Accessoire + Contact.
D  : Alimentation Eclairage + Permanent + Contact + Démarrage.

(Délestage de l'alimentation accessoire au démarrage.)
Il est déconseillé d'utiliser le fusible F2 pour le rajout d'équipement car assure l'alimentation des voyants d'alerte et de nombreuses autres fonctions.
Ainsi que le fusible F3 car commande les relais R2(F6), R4(F8) , R5(F9) des autres alimentations, en plus de celles de ses circuits associés.
Il est donc préférable de ne pas augmenter le risque de possible perte de ces deux fusibles.


MC45

←Porte-fusibles dans logement moteur
      (Phase I: MC45 / Phase II : M46)


Boitier interconnexions habitacle →
(Phase I: P706 / Phase II : H706)     

   •  1: R1 - Longue-portée (après 88)
   •  2: R2 - Non utilisé (lié au fusible F6)
   •  3: Temporisateur essuie-glace (ou pont)
   •  4: Centrale clignotante.
   •  5: R5 - Lève-vitres AV.
   •  6: R4 - Chauffage glace AR ou moteur capote.

fusible 205

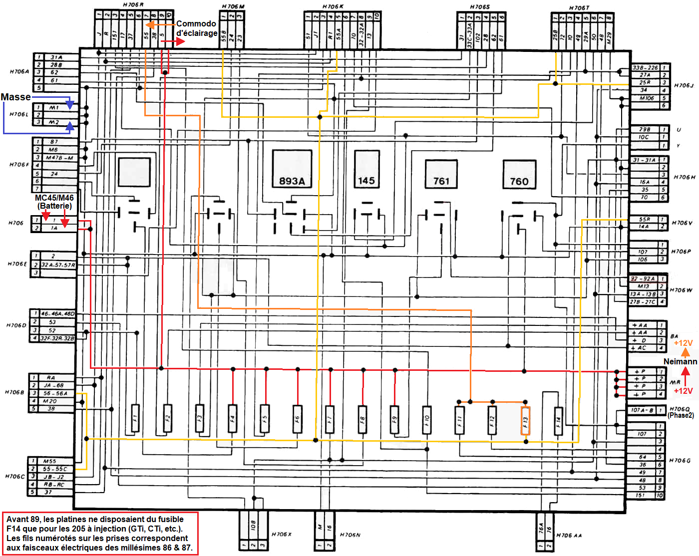
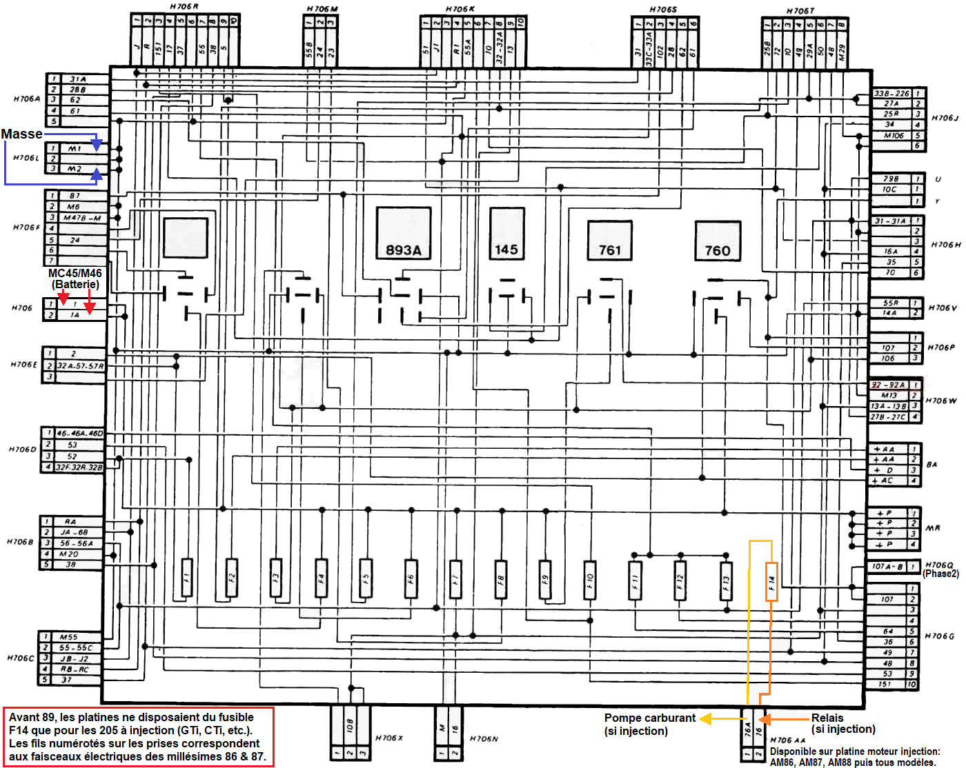
Reprendre une alimentation +12V sur le boitier interconnexions est une solution très facile permettant d'éviter de monter un autre porte-fusibles et le passage de câbles supplémentaires venant du logement moteur. Cela nécessite une étude des schémas pour trouver une alimentation disponible par suppression d'une option, ou libre d'origine.
Exemples :
  •  Attache remorque (Fusible F7 - Sortie borne 3 de la prise 706G du boitier interconnexions ←12V permanent.
  •  Lève-vitres (Fusible F9 - Sortie borne 1 de la prise 706W du boitier interconnexions (installer relais R5) ←12V accessoire.
  •  Condamnation centralisée (Fusible F7 - Sortie borne 3 de la prise 706W du boitier interconnexions ←12V permanent.
  •  Autres, voir rajout des équipements ci-dessous...

préparation raid 205 En cas d'installation d'un équipement de forte puissance qui ne peut pas se brancher sur le porte-fusibles du logement moteur, il est possible de se brancher sur la cosse d'alternateur.
Ceci n'exclut pas la pose d'un fusible en ligne (sauf config. particulière).

Fusible réarmable 50A →
(étanche IP67)      

électrique raid 205
Utiliser ce point d'alimentation uniquement pour les circuits particuliers.
Exemple: compresseur de gonflage embarqué.

Il est indispensable de repérer les fusibles utilisés pour les différents circuits des équipements rajoutés et d'imprimer un récapitulatif de la fonction de chaque fusible sur une check list.

La partie mécanique liée à l'alternateur est évoquée sur la page Prép'Parts/circuit de refroidissement.


Emplacement relais (hors injection)

Liste des principaux relais équipant les 205, hors options spécifiques, avec leurs emplacements.
Les relais d'injection autres que LE2-Jetronic et Motronic ne sont pas indiqués.

Circuit Phase1 Phase2
Avant 88 A partir de 88 A partir de 91
Groupe motoventilateurs
(2ventilateurs)
M733 + M733A + M733B
Boite logement moteur
M733 + M733A + M733B
Boite logement moteur
M733 + M733A + M733B
Boite logement moteur
Essuie-glaces AR C766 / Hayon de coffre C766 / Hayon de coffre C766 / Hayon de coffre
Avertisseur trompes X M743 / Baie de parebrise M743 / Baie de parebrise
Anti-brouillard AV M736 / Boite logement moteur M750 / Position: 1 X
Longue-Portées M736B / Boite logement moteur M736 / Position: 1 R1 / Position: 1
Non utilisé X / Position: 2 X / Position: 2 X / Position: 2
Temporisation essuie-glaces AV Tempo EV / Position: 3 Tempo EV / Position: 3 Tempo EV / Position: 3
+ H765 / Habitacle
Clignotants / Warning Centrale Clignotante / Position: 4 Centrale Clignotante / Position: 4 Centrale Clignotante / Position: 4
Lève-vitres AV R5 / Position: 5 R5 / Position: 5 R5 / Position: 5
Lunette chauffante AR R4 / Position: 6 R4 / Position: 6 R4 / Position: 6
Capote électrique X X R4 / Position: 6
+ C717 & C717A / Coffre
Témoin BRAKE (Australie) X M785 / Logement moteur M785 / Logement moteur
Lave projecteurs M755 / Baie de parebrise M755 / Logement moteur M755 / Logement moteur
Injection LE2-Jetronic (+ Pompe Carb.) M744 / Boite Logement moteur M744 / Boite à gant P744 / Boite à gant
Injection Motronic X M783 / Baie de parebrise M783 / Baie de parebrise
Pompe carburant Motronic X P744 / Boite à gant P744 / Boite à gant
Désignation / Emplacement (si non précisée, position = emplacement relais sur boitier interconnexions)

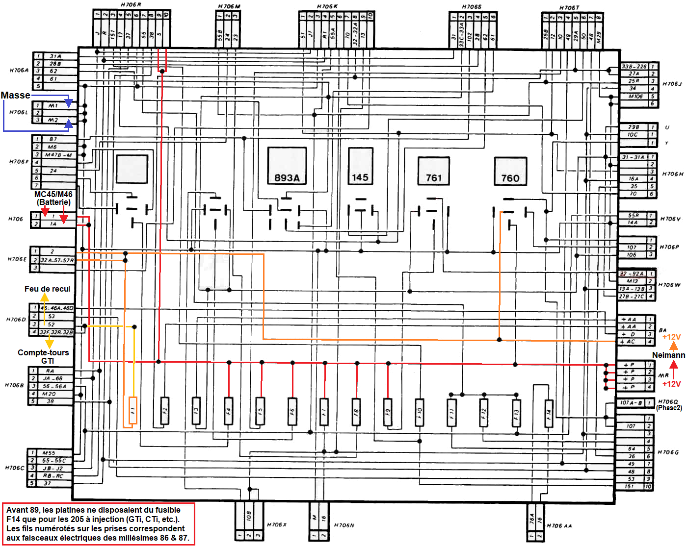
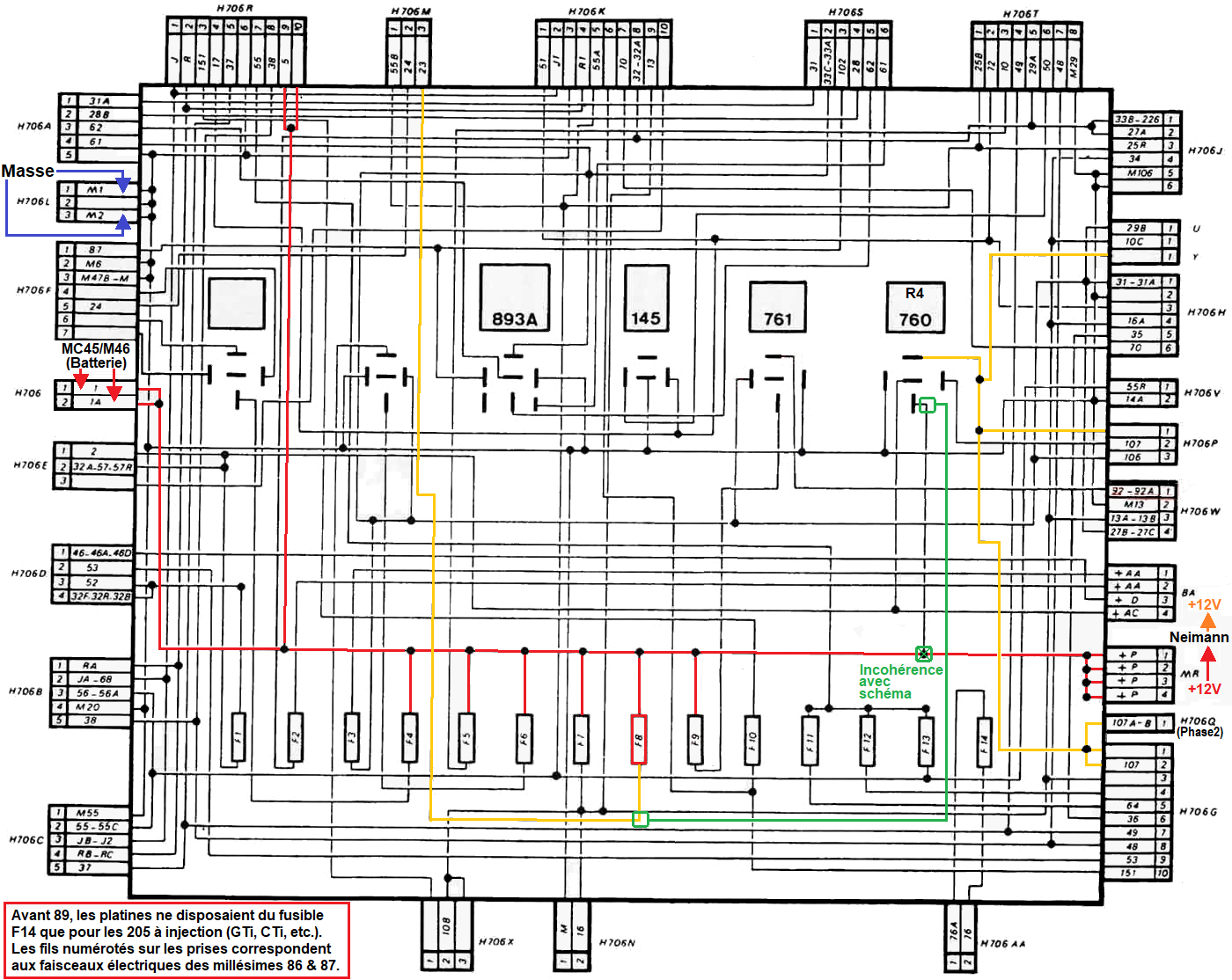
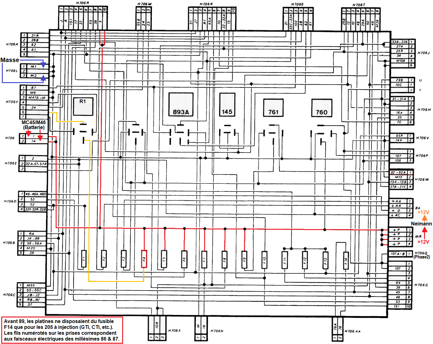
Il est possible d'utiliser le relais en position 2 du boitier interconnexions simplement par le rajout du fusible F6 mais il ne peut pas être contôlé par un interrupteur.

Ce relais de circuit de puissance est commandé par le fusible F3 est donc permet d'avoir un +12V accessoire (même principe que le relais R5).
Entrée de puissance : Fusible F6 venant de + 12V batterie.
Sortie de puissance : Borne 1 de 706X.
+12V accessoire : Venant du Neimann sur boitier interconnexions borne 2.
Commande bobine de R2 : Interne au boitier interconnexions.
Masse bobine de R2 : Interne au boitier interconnexions.
platine fusibles 205



Rajout des équipements

  •  Radio VHF:
La radio VHF fixe est un gros consommateur électrique et est très sensible aux parasites venant des autres circuits électriques tels que les moteurs d’essuie-glace, pompe lave-glace, etc. Il est nécessaire de dissocier son câblage.
De plus, étant un équipement de secours, il est judicieux de bien identifier son routage et faire en sorte qu’il ne soit pas noyé avec d’autres faisceaux tout en l’alimentant avec un 12V permanent via un fusible distinct. Dans ce cas précis, la meilleure solution est de la brancher directement sur la batterie avec un fusible en ligne.
Si le choix se porte sur une VHF portable, un cordon de charge sur la prise allume cigare est tout à fait possible.

  •  Voltmètre:
Le Voltmètre doit permettre de lire la tension batterie mais aussi de s'assurer que l'alternateur la charge bien. De ce fait, il est préférable de connecter la lecture de tension directement sur la borne + de la batterie ce qui permettra d'éliminer les éventuelles pertes en ligne s'il est branché sur un circuit électrique.
A l'inverse, il est judicieux de brancher le point négative sur la caisse permettant de vérifier la bonne connexion à la masse de la borne - batterie.                   Voir Prép'Tech/batterie de bord.

  •  Compresseur de gonflage embarqué:
Le compresseur de gonflage est un équipement de très forte consommation électrique. Parfois plus de 50A lors du démarrage.
Cette forte intensité ne permet pas de le brancher sur les boîtiers porte-fusibles d'origines, privilégier un branchement sur l’alternateur. Le câblage fournit avec le compresseur comporte généralement un fusible en ligne ou directement sur le compresseur. Dans ce dernier cas, il est préférable de rajouter un fusible en ligne au plus proche de l'alternateur.
Il y a un risque d'incendie en cas de court-circuit du fil d'alimentation si le fusible est placé uniquement sur le compresseur.
                  Voir Prép'Tech/compresseur de gonflage.

  •  Terratrip:
Le terratrip n’est pas un gros consommateur électrique mais il génère parfois des interférences sur la radio VHF. Tout comme cette dernière, dissocier son câblage des autres faisceau et surtout éloigner le de la VHF.
Une alimentation sur le boîtier interconnexion est possible mais il doit être connecté sur un 12V permanent.
Exemple : +12V permanent en borne 2 de 706X sur boitier interconnexions de la condamnation centralisée si vous l'avez supprimée (fusible F7).                   Ou directement sur le boitier interconnexions, voir sortie +12V permanent F7 sur boitier interconnexions.

  •  Indicateurs moteur rajoutés:
Les indicateurs peuvent être alimentés par un 12V accessoire, ou contact, du fait de leur faible consommation électrique. Eviter toutefois de les connecter au fusible F2 afin de les dissocier de l'alimentation des voyants baisse niveau liquide de refroidissement, basse pression d'huile ou d'alerte surchauffe moteur. Il est préférable de leur consacrer un circuit distinct pour séparer leur alimentation des autres circuits de puissance.
Tout comme il est préférable de ne pas surcharger le fusible F3 qui est un point d'alimentation essentiel (circuits alimentés par F3 et relais R2, R4, R5).
Exemple : +12V accessoire en borne 1 de 706X sur boitier interconnexions avec rajout fusible F6 et relais R2.
                  Voir sortie +12V accessoire F6 sur boitier interconnexions.

  •  Feux additionnels:
Il est préférable de se calquer sur le circuit de longue-portées d'origine GTi à partir de 88 si vous restez raisonnable dans la puissance des phares ajoutés.
Exemple: +12V plein phare en borne 6 de 706F sur boitier interconnexions avec rajout fusible F4 et relais R1.
                  Voir Prép'Tech/modification des circuits d'éclairage.

  •  Point d'alimentation d'équipements portatifs dans l'habitacle:
Il est indispensable de rajouter des prises type USB, ou allume cigare, afin de permettre de charger vos équipements portatifs (Téléphone portable, batteries diverses de petits équipements, etc.)
Exemple : +12V permanent de l'autoradio si vous l'avez supprimé (fusible F7).
                  Ou directement sur le boitier interconnexions, voir sortie +12V permanent F7 sur boitier interconnexions.

  •  Point d'alimentation d'équipements portatif dans le coffre:
Il est plus aisé de se connecter sur le fil d'alimentation d'attache remorque.
Attention, ce n'est pas un circuit de forte puissance, il peut être utilisé comme point d'alimentation basse puissance pour le bivouac (éclairage ponctuel, alimentation téléphone portable, etc.).
Exemple : Fil 16A derrière le feu AR gauche alimenté en +12V permanent (fusible F7).
                  Voir suivant version    AM86         AM89         AM91

  •  Rajout du second ventilateur moteur:
                  Voir Prép'Tech/circuit de contrôle des ventilateurs.

  •  Équipements divers:
Les autres équipements rajoutés peuvent être branchés sur le boîtier interconnexion dans l'habitacle ou le porte-fusibles dans le logement moteur suivant votre choix.
Utiliser le tableau ci-dessous pour les repérer en association avec les schémas des circuits, voir Prép'Docs/schémas électriques 205.

Schéma interne boitier lié au fusible: F1 F2 F3 F4 F5 F6 F7 F8 F9 F10 F11 F12 F13 F14
Notes :
Le fusible F5 ne possède qu'une seule sortie sur le boitier interconnexions qui est utilisées pour les feux de détresse (warning).
Les fusibles F4 et F6 disposent d'un relais leur donnant un rôle +12V accessoire mais ne possèdent qu'une seule sortie sur le boitier interconnexions.
Le fusible F7 possède plusieurs sorties sur le boitier interconnexions qui ne sont pas tous utilisées.
Le fusible F8 peut être utilisé par l'interrupteur de chauffage glace AR (si cette fonction est supprimée) grâce au relais R4.
Les fusibles F10 à F13 ne sont que des alimentations provenant des commandes d'éclairage ne pouvant être utilisés pour un circuit autre qu'éclairage.
Le fusible F14 ne possède pas d'alimentation électrique interne au boitier interconnexions.


Faire en sorte de dissocier les alimentations de façon à ce que la perte d’un fusible n’entraîne par la perte de la totalité des autres circuits rajoutés.




Interrupteurs de tableau de bord

Afin d'éviter la mise en place de nouveaux interrupteurs lors des modifications des circuits, il est possible d'utiliser les bouton-poussoirs au tableau de bord des circuits ayant été supprimés pour commander de nouveaux systèmes. Tout comme il est possible d'en rajouter pour ne pas à devoir installer une console supplémentaire et conserver leur intégration sur la planche de bord.
Certains interrupteurs ont un branchement spécifique.

Interrupteurs
205
interrupteurs 205 interrupteur clim 205
Anti-brouillard avant Pompe de chauffage Warning Lunette chauffante Anti-brouillard arrière Réfrigération
Phase 1
Avant 88
phase 1 anti-brouillard av X phase 1 warning phase 1 lunette chauffante phase 1 anti-brouillard ar phase 1 refrigeration
Phase 2
A partir de 88
phase 2 anti-brouillard av phase 2 refrigeration phase 1 warning phase 2 lunette chauffante phase 2 anti-brouillard ar phase 2 refrigeration
Liste non-exhaustive (certains modèles exports peuvent avoir des spécificités telle que la fonction avec l'interrupteur "sièges chauffants").
Les interrupteurs de tableau de bord phase 2 sont communs avec la 106 permettant de trouver des logos plus adaptés aux circuits rajoutés. Ils sont aussi utilisés chez Lotus (Esprit, Elise, etc.)
bouton 205 phase 2




Rajout de câbles

Le déplacement de la batterie ou le rajout d'équipements peut obliger à rajouter de nouveaux câblages.
Utiliser des fils multibrins, les monobrins sont à proscrire dans tous les cas.

La section des fils rajoutés dépends de l'intensité que le câble devra supporter ainsi que la longueur totale du circuit.
C'est à dire qu'il faut aussi prendre en compte la longueur côté positif dans le calcul.
Raison pour laquelle, dans certains cas, il est préférable de placer le point de masse le plus proche de l'équipement s'il est de forte puissance afin de diminuer le plus possible la logueur et donc la section.
C'est le cas de la batterie qui fournit une très forte intensité lors du démarrage.

Section câble 12v/Puissance Max Section câble 12V/Intensité Max
section cable 12V section fil 12V
section cable 12V
Section câble : mm²  →
Diamètre câble : (ne tient pas compte de l'isolant).

Le cablage rajouté doit sécurisé pour ne pas toucher les parties chaudes ou mobiles du moteur.

Les colliers de fixation utilisés en compétition (P-Clips) reste la meilleure solution car très performants ➔

Idéalement, une protection type gaine annelée en PTFE (Polytétrafluoroéthylène-téflon) limite le risque de détérioration de l'isolant.
Ce type de matériau possède d'excellentes caractéristiques:
  •  Température de service en continu:-270°C à 260°C
  •  Résistance exceptionnelle à presque tous les produits chimiques connus
  •  Très faible coefficient de friction.
  •  Bonne résistance diélectrique.

colliers compétition



Sertissage

Il est impératif de sertir les cosses à l'aide d'une pince à sertir à mêchoires et de bannir les pinces de premier prix (type plate) fournies parfois avec les boites de cosses.

Hormis les sertissages utilisés chez les constructeurs ou équipementiers automobiles, les cosses standards utilisées pour l'automobile sont très simples et se divisent en 3 catégories:

  •  Rouge: cable de 0.5 à 1.5mm²
  •  Bleu: cable de 1.5 à 2.5mm²
  •  jaune: cable de 4 à 6mm²
cosses automobiles 12V

Inutile d'investir des fortunes, une simple pince à mâchoires suffit ➔

pince cosses automobiles

Attention :
Les cosses des faisceaux d'origines constructeur (Peugeot), ainsi que des équipementiers (Bosch, etc.), sont serties avec des pinces spécifiques.

Prise faisceau male Prise faisceau femelle Prise de puissance femelle Prise de puissance male
prise faisceau peugeot prise faisceau 309 prise ventilateur 205 prise 205
Pour les interventions sur le faisceau d'origine, voici la liste de la Connectique Standard Constructeur.

JiCéLDé, la préparation est un art, libérez votre esprit...