POUR VOUS AIDER DANS VOTRE PRÉPARATION, DES KITS PRÊT À MONTER SONT DISPONIBLES

Modification des circuits d'éclairage

 

Pour des raisons de sécurité, il est important d'être visible en toutes circonstances. D'autant plus que le dégagement de poussière, ou en cas de tempête de sable, rend difficile de repérer rapidement les véhicules sur les pistes.
De ce fait, il est préférable de rouler avec les feux même de jour et de disposer, d'au moins, un feu arrière en hauteur lorsque la visibilité est fortement réduite. Inutile d'équiper sa voiture de feux à la puissance hors normes totalement inutiles car il est déraisonnable de rouler de nuit à vive allure sur les pistes, même avec un fort éclairage.
L'essentiel est de pouvoir être vu par les autres participants, facilement, rapidement et sans doute possible.



Masse phares avant

Les borniers de masse fixés sur la face avant ont tendance à s'oxyder et créer des soucis. Les circuits concernés sont très importants car concernent les phares ainsi que les ventilateurs de radiateur pour celui de gauche.

cablage phares 205/309

Supprimer ces borniers pour gagner en fiabilité en les remplaçant par des cosses rondes standards suprimant ainsi une source potentielle de panne.

masses phares 205

← bornier de masse droit

A remplacer par des cosses pour gain de fiabilité →

bornier masse 205


Feux de croisement

Certains organisateurs de raids demandent, à juste titre, d’allumer les phares lors des étapes de jour afin de rendre visibles les participants remontant le road book pour minimiser le risque d'accident. Cette instruction de sécurité est souvent oubliée ou les feux laissés allumés pendant les arrêts.
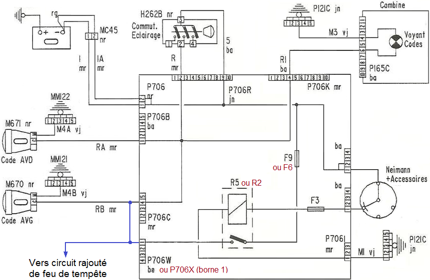
Il suffit de rajouter un simple fil sur le faisceau entre les prises 706W(borne 1) et 706C(borne 4) du boitier interconnexions pour créer un mode automatique en se servant du circuit de lève-vitres supprimé.
Uniquement les feux de croisement AV(codes+voyant) s’allument lorsque le contact est mis et s'éteignent lorsqu'il est coupé, ainsi que pendant le démarrage moteur.
Ne pas oublier de rajouter le relais R5 (circuit de lève-vitres) sur la platine (emplacement n°5) et le fusible F9.
Profitez de l'intervention pour rajouter le circuit de feu "tempête de sable" souvent exigé par les organisateurs de raid.
Note : si vous ne désirez pas supprimer le circuit de lève vitre, vous pouvez utiliser le relais R2 (positon 2) et le fusible F6, la sortie de puissance se trouve sur la borne 1 de la prise 706X.


commande phares 205



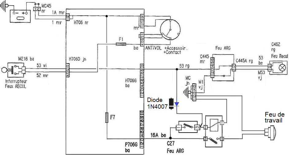
Feux de tempête

Tout comme l’allumage des feux de croisement, le rajout d’un feu "tempête de sable" est souvent demandé par l'organisateur du raid.
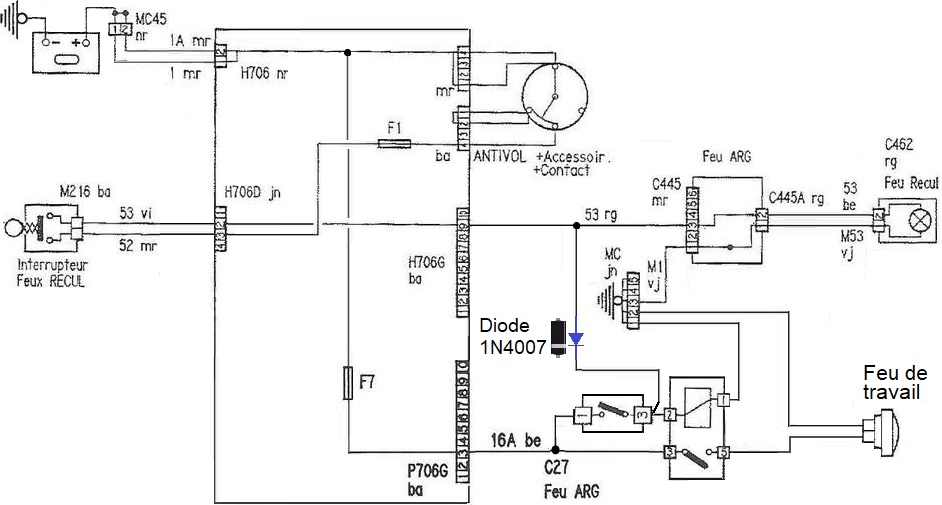
La modification est simple, mais afin de l’intégrer à la planche de bord, il est possible d’utiliser un bouton poussoir de commande d’origine avec une alimentation venant du boitier interconnexions, toujours dans le but de limiter le rajout d’autres éléments. De plus, une simple diode (1N4007) placée entre la ligne des feux stop et le feu tempête permet d’allumer ce dernier lors du freinage mais pas l’inverse. Ceci permet aussi de séparer les circuits alimentés par deux fusibles différents.

feu tempête 205
Note: Le fil 36C vert est n''est pas toujours présent sur les premières versions de 205. Le rajout du fil de liaison avec le feu tempête doit se faire direction sur le le cable d'alimentation des feux stop.
diode redresseur ← La diode 1N4007 peut supporter une intensité de 7A.
Il est préférable, dans cette configuration, de limiter la puissance de l'ampoule du feu "tempête de sable" en raison du circuit des feux stop disposant de 2 ampoules de 21W, soit environ 3.5A.
Un feu à Leds peut permettre de limiter l'intensité en ligne.
feu arriere 205
Exemple de montage de feux de tempête
feu tempête 205
Exemple d'intégration du bouton de commande feu tempête

L'avantage de ces deux modifications permet d'avoir un mode secours des feux qui reste fonctionnels même en cas de défaillance du commodo de phares. L'automatisme d'allumage des codes peut être supprimé en retirant le fusible F9.
Le feu "tempête de sable" peut être utilisé lorsque le contact est coupé, si besoin, en allumant les feux de croisement (code) par le commodo.



Feu de travail

Peu utile lors d'un raid organisé en Afrique du Nord puisqu'il est rare qu'une étape se déroule la nuit, un feu additionnel arrière, dit "feu de travail", peut être utile si vous vous engagez sur un raid proposant des étapes de nuit.
Généralement, elles sont au programme des rallyes asphalte de début d'année tel que le "rallye neige et glace" de Zoulou Racing Héritage.

Si vous vous engagez sur un évènement comprenant des étapes de nuits, surtout si la surface est compliquée (neige), n'hésitez pas à rajouter un feu de travail arrière.


Idéalement le coupler au feu de recul mais il est préférable de rajouter un interrupteur au niveau du coffre pour l'allumer manuellement si vous avez à tracter la voiture.


Utiliser le fil d'alimentation d'attache remorque en rajoutant un relais de commande (la diode 1N4007 permet de conserver le feu de recul éteins lorsque le feu de travail est allumé avec l'interrupteur mais aussi ne pas risquer d'alimenter les circuits liés au fusible F1 par l'alimentation du feu de travail.)
phares 205t16

feu de travail raid


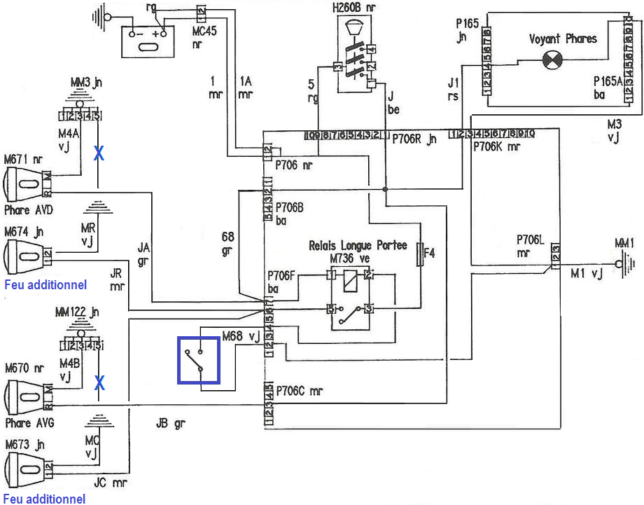
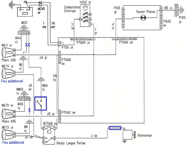
Feux additionels

La pose de phares additionnels n'est pas une obligation en soit puisque rares sont les étapes se déroulant de nuit car très dangereux.
Ainsi l'installation de phares de forte puissance n'a aucun intérêt en soit mais ils font partis du décor et contribuent au look baroudeur de la 205.

Ils peuvent être couplés aux phares d'origine et donc commandé par la commande de "plein phare".

Les circuits de feux de croisements (code) et de route (plein phare) ne disposent pas de fusible de protection. Une surcharge se traduira par une surintensité dans la ligne.
Il est donc impératif de rajouter un relais de puissance afin de ne pas créer de surintensité au niveau du commodo qui risquerait de détériorer sa prise par une surchauffe des contacts.
prise commodo gti prise commodo 205

Un interrupteur peut être placé sur la ligne de commande du relais de puissance afin de pouvoir inhiber, si besoin, les feux rajoutés.

Phase 1 Phase 2
Cablage avant 88 Cablage à partir de 88
longue portée 205 gti phares additionnels 205
: rajout, non d'origine.
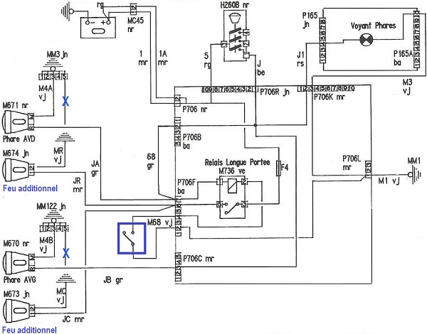
Privilégier le schéma à partir de 88 permettant d'utiliser le fusible F4 et d'intégrer le relais de puissance sur le boitier interconnexions.

Si toutefois vous ne désirez pas coupler les feux longue-portées avec les phares d'origines, la modification la plus simple est de reprendre la commande du bouton de dégivrage arrière si cette fonction est supprimée.
Limiter la puissance des feux tout en vérifiant que la section des fils les alimentant soit cohérente avec l'intensité.
Si votre choix se porte sur des feux additionnels de très forte puissance, il est plus raisonnable de se calquer sur le schéma ci-dessus avant 88 en commandant le relais par la borne 3 d'un bouton poussoir.
Note: le relais R4 se trouve en positon 6 sur la platine.

schémas phares 205 interrupteur phares 205
Le logo du bouton poussoir
peut être changé si besoin.

Les feux placés sur le toit sont à éviter car éclairent le parebrise engendrant un inconfort de conduite.

Des longues portées placés sur le parechoc offrent plus d'efficacité s'ils sont de qualité →
Protégez aussi les phares, voir Prép'Kits/kit protection phares AV.    

phares 205t16



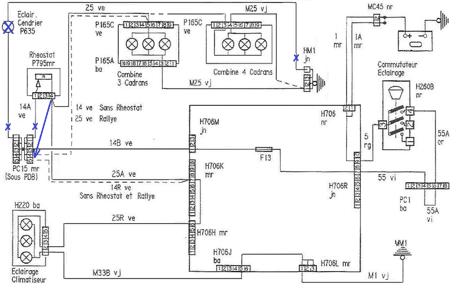
Eclairage tableau de bord

En raid, il est important de ne pas s'encombrer de gadgets baissant le niveau de fiabilité des circuits.
Si la 205 est équipée d'un rhéostat de réglage d'intensité lumineuse du tableau de bord, il est préférable de le supprimer en reprenant le schéma de branchement de la 205 rallye, ou de le remplacer par un interrupteur, afin de ne pas être gêné par d'éventuelles variations d'éclairage.

éclairage 205

Le rhéostat d'éclairage de tableau de bord est placé sur le carénage d'axe de volant et n'a aucune utilité en raid.
Il est peu fiable et peut engendrer un inconfort de conduite de nuit sur routes dégradées.

eclairage tableau de bord 205

Déplacer les fils suivant le schéma () ou remplacer le rhéostat par un simple interrupteur OFF/ON →

rhéostat 205 prise rheostat 205 prise tableau de bord 205

Une résistance en parallèle à l'interrupteur de remplacement peut assurer un mode faible intensité →

panne éclairage 205
Cosses ou prise suivant version.


masse éclairage 205
masse sur colonne direction 205
Attention à ne pas confondre le bornier de distribution +12V destiné à l'éclairage des différents équipements du tableau de bord avec le bornier de masse fixé sur le support de colonne de direction.
éclairage compteur 205
bornier éclairage tableau de bord 205


← Bornier de masse (HM1 & HM2) sur support colonne de direction.

Bornier de répartition (PC15) +12V éclairage sur tableau de bord (isolé) →

La suppression de l'éclairage cendrier permet de se débarasser de fils inutiles.
Moins il y a de gadgets ou d'options sans intêret, moins il y a risque de souci...
Sa masse est le fil jaune sur le bornier HM1/2 et le 12V est le fil blanc sur le bornier de distribution PC15.
Les autres alimentation 12v correspondent à l'éclairage du bouton anti-brouillard AR et de la planche de bord.



Liseuse de bord

Une liseuse de bord peut etre une bonne option pour que le copilote puisse lire son roadbook sans gêner le pilote.
Une solution consiste à la fixer au plafond en tirant un fil d'alimentation depuis le pafonnier et faciliter la modification su cablage.

liseuse 205 rallye reading light 205 gti eclairage copilote

La liseuse peut être fixé sur l'attache du paresoleil passager par le biais d'une platine intercalée.

liseuse de bord 205 rallye

JiCéLDé, la préparation est un art, libérez votre esprit...