POUR VOUS AIDER DANS VOTRE PRÉPARATION, DES KITS PRÊT À MONTER SONT DISPONIBLES

Compteur avec indicateurs moteur

 

Afin d'éviter de rajouter des indicateurs déportés sur la planche de bord pour l'affichage des paramètres moteur, il est possible de remplacer le compteur d'origine par un modèle type GTi et ainsi disposer d'une instrumentation complète et intégrée au tableau de bord.

Les paramètres moteur présentés sur une instrumentation type GTi sont :
  •  Pression d'huile.
  •  Température d'eau.
  •  Température d'huile.
  •  Compte-tours.

Pour les 205 avec compteur "classique", cette modification oblige à changer le bloc compteur complet ainsi que la totalité du faisceau électrique de la planche de bord.
A l'inverse, les 205 équipées d'origine d'un compteur dit "luxe" possédant les mêmes branchements que le compteur GTi ne nécessitent pas une lourde modification des circuits électriques. Dans ce cas précis, il n'est pas non plus obligatoire de remplacer l'intégralité du bloc compteur car les indicateurs intégrés pression et/ou température d'huile peuvent être simplement rajoutés dans le compteur.

Ces deux gammes distinctes sont facilement identifiables par la position des voyants d'alerte :
  •  Compteur "classique" : voyants d'alerte placés horizontalement en partie haute du compteur.
  •  Compteur "luxe" : voyants d'alerte placés verticalement au centre du compteur (dispose au moins un indicateur de température d'eau).

Compteur "classique" (Veglia ou Jeager*) Compteur "luxe" (Jeager)
compteur 205 indicateurs 205
prise compteur 205 branchement 205
faisceau tableau de bord 205 faisceau luxe 205
Le faisceau de tableau de bord possède 4 prises et doit être changé ou modifié pour passer en compteur "luxe" ou type GTi.
  •  Phase 1 : 2 prises blanches + 1 grise + 1 verte
  •  Phase 2 : 1 prises blanche + 1 grise + 1 verte + 1 jaune
Le faisceau de tableau de bord possède 5 prises et est compatible avec une instrumentation type GTi.
  •  Phase 1 : 2 prises bleues + 1 verte + 1 blanche + 1 grise
  •  Phase 2 : 2 prises bleues + 1 verte + 1 blanche + 1 jaune
compteur 205 jeager ← Compteur "classique" Jeager.
     Les compteurs "classique(s)" peuvent être de marque Jeager ou Veglia.
     La connectique est identique.

La forme de la casquette de compteur est liée au compteur installé ("classique" ou "luxe").
Elle est aussi en rapport avec le design du tableau de bord (avant ou à partir de 88).

De ce fait, en cas de passage d'un compteur "classique" vers "luxe" ou GTi, il y a obligation de changer la casquette
tout en respectant la version du tableau de bord.

Casquettes "classique" et "luxe" (à partir de AM88) →

casquette phase 2

Le design de l'instrumentation a aussi évolué au cours des années mais, bien qu'il y ait de petites spécificités suivant le millésime, on peut considérer qu'il y a deux familles de compteurs type GTi :
  •  Jeager (version ancienne).
  •  Veglia (version récente).

JEAGER modèle GTi VEGLIA modèle GTi
205 GTi jusqu'à AM85. 205 GTi et CTi à partir de AM86.
compteur jeager 205 compteur veglia 205
modules jeager 205 modules veglia 205
Tous les compteurs de GTi sont interchangeables (quelque soit la version ou l'année modèle) et compatibles avec le même faisceau (type "luxe").
Les mêmes sondes moteur sont aussi communes aux différentes configurations de compteurs, voir Prép'Tech/indications essentielles.

Il n'est pas nécessaire de se procurer un compteur du même millésime que la 205.
Tout comme il est possible de monter un compteur GTi de marque Veglia en lieu et place du Jeager si c'est aussi un modèle "luxe".



205 équipées compteur "luxe" d'origine

Les 205 GT, XT et XS possèdent, à partir de 86, un bloc compteur "luxe" Jeager, avec indication de température d'eau, pouvant recevoir les indicateurs moteur complémentaires. Bien que plus récentes, les 205 TD et Rallye, sont aussi équipées d'un compteur "luxe" Jeager identique.
Malgré cet écart de millésime entres ces 205 citées, elles disposent du même faisceau de tableau de bord à 5 prises au compteur facilitant le montage d'un compteur GTi.
Toutefois, il suffit de monter les indicateurs de pression et température d'huile à la place des 2 voyants latéraux pour avoir une instrumentation identique aux premières GTi équipées du Jeager.

Les 2 sondes moteur supplémentaires devront être câblées jusqu'à la prise de liaison des faisceaux logement moteur/habitacle suivant les schémas correspondant au millésime, voir ci-dessous.
Attention, il est obligatoire de monter les sondes d'origine Peugeot compatibles avec les compteurs.

module compteur 205

← Modules de bloc compteur Jeager.

Compteur Jeager de 205GT →

compteur jeager 205 essence

Compteur Jeager pour 205 diesel (compte tours spécifique) →

compteur jeager 205 diesel

Compteur Jeager avec l'instrumentation complète type GTi →

compteur jeager 205 gti

Malgré que le compteur Jeager des 205 GTi ait été remplacé en 87 par un Veglia, la connectique à 5 prises reste identique sans modification.
De ce fait, à partir du moment ou la 205 possède un faisceau "luxe", il est possible de monter indifféremment un Jeager ou un Veglia type GTi.

Face arrière compteur Veglia à indicateurs →
(La prise bleue de compte-tours est visible sous la prise blanche.)   

compteur 205 raid

Tout comme le Jeager, le compteur Veglia est modulable et peut être modifié si besoin.
Par exemple, par l'adaptation d'un compte tours pour motorisation diesel puisqu'il n'a été monté que sur les 205 essence injection.
A noter que la plage rouge du compte tours diffère suivant le modèle et millésime de la 205 injection:
  •  205 GTi 1.6 AM86 équipée XU5J : 6250 à 8000trs/min
  •  205 GTi 1.6 AM86 équipée XU5JA : 6500 à 8000trs/min
  •  205 GTi après 86 : 6000 à 8000trs/min

Compteur Veglia 205GTi 1.6 AM86 →

compteur veglia 205 gti

Modules de compteur Veglia 205GTi →

indicateurs veglia 205 gti

Dans tous les cas, le faisceau d'origine des 205 à compteur "Luxe" (Jeager ou Veglia) possède 5 prises au niveau du bloc compteur et il suffit de rajouter les sondes moteur associées aux indicateurs rajoutés ainsi que le cêblage manquant dans le logement moteur. Il n'est pas obligatoire de monter tous les indicateurs latéraux. Malgré un design différent, les modules de compteurs sont communs avec d'autres véhicules (309, 405, BX...).
Important: Les indicateurs de compteur fonctionnent uniquement avec les sondes d'origine Peugeot.

En cas de difficulté d'obtenir un compteur de GTi, il est possible de s'orienter sur la 309, par exemple, pour avoir une base à modifier.
Notamment si la 205 est équipée d'une motorisation diesel.

Compteur Veglia de 309TD monté sur 205 →

compteur 205 TD

Compteur Veglia de 309XR monté sur 205 en remplacement du modèle Jeager "Luxe" →

modification compteur 309

Faisceau phase 1 Faisceau phase 2
AM86 AM89 AM91
indicateur pression huile gti indicateur temperature  205 cablage pression huile 205

 


205 équipées compteur "classique" d'origine

Si la monte d'origine est un compteur "classique", le remplacement du bloc compteur par un "luxe" ou GTi est obligatoire.
Le faisceau électrique de tableau de bord doit aussi être remplacés par un type "luxe" ou, au moins, modifiés.
Dans le cas d'une modification plutôt qu'un remplacement, certains circuits sont à reprendre (circuit de clignotants).

faisceau luxe 205

Le faisceau de tableau de bord est très vaste car il est lié à de nombreux élements, tels que:
  •  Bloc compteur
  •  Boitier interconnexions.
  •  Comodo.
  •  Rehostat d'éclairage.
  •  Masse d'éclairage console.
  •  Prises de liasion vers logement moteur.
  •  Interupteur boite à gants.
  •  Autres...

Lors du remplacement du faisceau de tableau de bord, ne surtout pas intervertir la prise PC15 (marron) correspondant à la distribution du +12V d'éclairage des éléments du tableau de bord avec celle de masse HM1 ou HM2 (jaune), voir Prép'Tech/circuits électriques.

Malgré tout, en raison des millésimes et option(s), il est possible que certains fils soit manquants, ou différents, sur le faisceau.
Par exemple, le voyant de starter qui n'est pas câblé sur un faisceau AM85 puisque seules les injections disposaient de cette instrumentation à l'époque.
Avant montage du faisceau, vérifier que tous les fils soient présents au niveau des prises suivant schémas d'identification prises compteur, ci dessous.

Prises
compteur
Phase 1 Phase 2
AM86 AM89 AM91
Compteur
classique
prise compteur 205 branchement compteur 205 cablage compteur 205
Compteur
à indicateurs
prise compteur gti branchement compteur luxe cablage compteur gti

Une montre digitale type "GTi" peut être facilement installée sur la console centrale puisque la prise est présente sur le faisceau "luxe", voir schéma AM86, AM89 ou AM91

Dans le cas d'un tableau de bord phase 2, la montre de bord est commune aux 405 ou ZX, bien que la couleur de l'éclairage différe (orange ou vert), mais le support est propre à la 205.

horloge 205 gti
Montre digitale phase 1
   montre 205 gti
Montre digitale phase 2

 


Compte tours sur compteur "luxe"

Tout comme les autres indicateurs, celui concernant le régime moteur est un module qui peut être remplacé (à condition que le compteur en soit équipé d'origine). En effet, le compte-tours est spécifique à la plage d'utilisation du moteur et est donc monté en chaine suivant la motorisation.

Jeager
compte tours xu5j

← Module compte tours 205GTi AM85
     (XU5J)

compte tours jeager 205
Les broches s'insèrent dans la prise démontable.
compte tours jeager xu5j

← Module compte tours 205GTi AM85
     (XU5J)


Veglia
compte tours xu5j

← Module compte tours 309XS
     (XU92C)

branchement compte tours 205
La prise compte-tours est démontable du bloc et ressort en arrière.
compte tours xu5ja

← Module compte tours 205GTi
     (XU5JA)

compteur 205

← Module indicateur tachymétrique 205.

Attention au compteur Veglia dont les indicateurs de clignotants sont placés sur des modules différents pouvant générer un design différent
des symboles gauche et droit suivant la provenance du compte tours.

Module indicateur compte tours 309. →

compteur 309

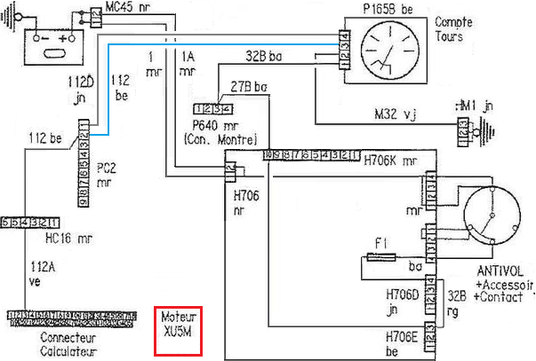
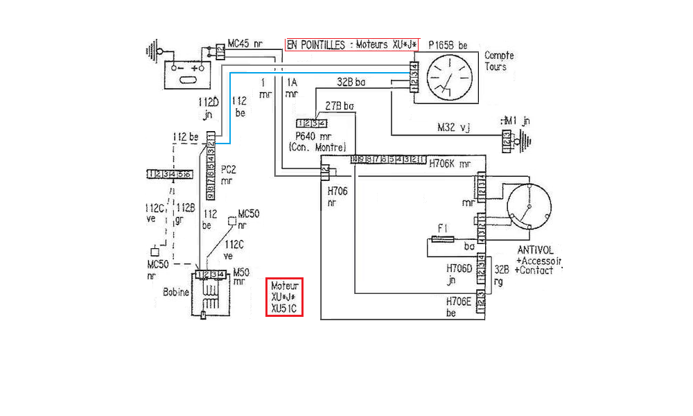
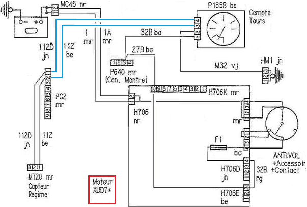
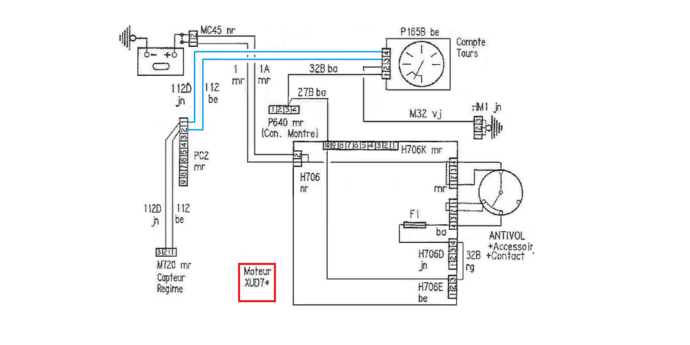
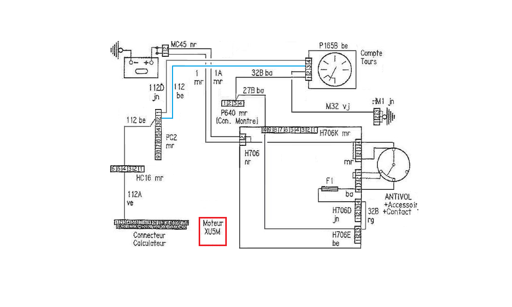
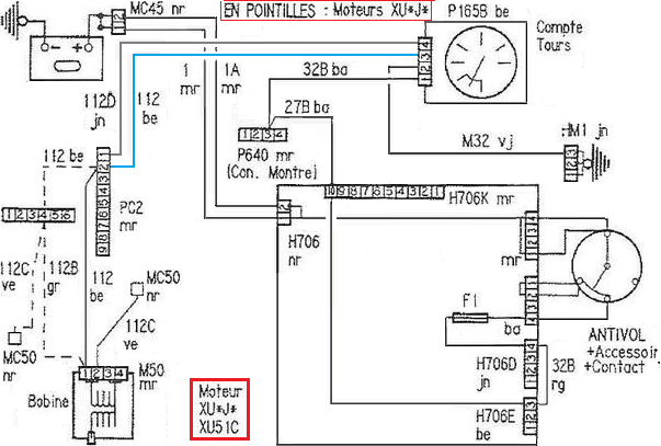
Hormis la plage rouge qui change permettant de les différencier facilement, la lecture du régime moteur est différente entre une motorisation diesel, essence injection ancienne et nouvelle génération. Ce n'est pas le même signal, l'indicateur de régime est spécifique.

Signal reçu par le compte tours:
  •  Essence carburateur ou injection analogique: Borne moins bobine.
  •  Essence injection digital: Calculateur.
  •  Diesel: Sonde de régime (appelée aussi sonde impulsions ou, par erreur, sonde PMH).

Branchement compte tours
Signal bobine Signal calculateur Signal diesel
signal compte tours 205 signal compte tours xu5m signal compte tours diesel
Le fil 112D de faisceau de compteur n'est présent que sur les version récentes.


sonde regime 205 diesel Signal régime sur borne (-) bobine → branchement bobine 205

sonde impulsion 205 diesel
branchement comptetours 205 diesel
Branchement Compte tours Diesel
← Sonde de régime 205 diesel.

Si le bloc compteur n'est pas équipé d'un indicateur de régime, il ne dispose pas de l'emplacement de la prise, il n'est pas possible de le rajouter.

compteur 205 jeager compteur 205 xtd
Compteur Jeager "luxe" avec horloge de 205 XTD.

 


Modification compteur "classique"

En cas d'impossibilité de monter un compteur "luxe" et que vous désirez intégrer les indications sur un compteur "classique", une des solutions consiste à placer un indicateur multifonctions à la place de l'horloge (si elle est présente).
Toute la difficulté est de découper proprement le fond de compteur très fin.
Une horloge type "GTi" peut être installée sur la console centrale, voir schéma AM86, AM89 ou AM91

compte tours 205 raid

← Dépose de l'horloge

Intégration de l'indicateur →

modification compteur 205

Il est toutefois possible de remplacer la montre de bord d'un compteur "classique" par un compte tours provenant d'une 205 ou d'un autre véhicule de la gamme PSA. Le remplacement demande des modifications du circuit électrique interne au compteur.

montage indicateur 205 raid
Compte-tours sur compteur Veglia d'origine 205 essence
indicateur raid 205
Compte tours sur compteur Veglia d'origine BX diesel



A noter que les 205 phase 1 (avant 88) pouvait être équipé d'un compteur "classique" Jeager avec un compte tours.
Le fil 112 d'allumage se branche sur la borne 8 de la prise P165B blanche :
compteur 309 rallye
Face Ar compteur Jeager 205 essence phase 1 avec compte-tours.
Voir schéma électrique <88.


Compteur 205 raid

JiCéLDé, la préparation est un art, libérez votre esprit...